sábado, 5 de dezembro de 2015

Feliz Natal Feliz 2016

Hoje em nossos dias ser: honesto, sincero, humilde, prestativo, generoso, é uma virtude de um bom ser humano, quando deveria ser normal a todos, mas com a evolução do homem coisas que deveriam ser cotidiana e vim de tradição familiar se torna difícil, e cada vez mais são esquecidas. Toma espaço dia dia a: corrupção, desonestidade, falsidade, egoismo, maldade, assassinatos, como se fosse normal, fazem parte de nossas vidas, o ser humano acostuma com o que é visto todos os dias em suas casas na TV em telejornais. Somos hoje prisioneiros do mal, até onde esta inversão de valores.
Eu desejo a todos nós não só agora no Natal, mais sempre o ano inteiro, que tenhamos mais fé em nosso poderoso Deus, criador dos céus e terra e tudo que há, paciência, amor, generosidade ao próximo, ter mais amor aos nossos idosos como se fossem nossos pais, procurar ser honesto, prestativo, sincero, e humilde, são qualidades que agradam a Deus, e faz bem ao ser humano. Desejo a todos um feliz Natal cheio de amor, paz, harmonia, felicidade, saúde, e prosperidade, que o Nosso senhor Deus Jeová nos abençoe neste novo ano que se aproxima, um feliz ano de 2016 a todos, e muito obrigado por ler minhas palavras.
Palavras de Waldir Cardoso.

Barco rádio controle regenerativo simples.

Este simples projeto é só para que os senhores possam entrar no mundo do radio controle, como já publicamos antes esta é uma publicação da revista Saber Eletrônica 146, baixei da Web, agradeco a quem postou. O projeto simples é do Sr. Newton C. Braga, um grande gênio da eletrônica. Para iniciantes este é um bom começo, o circuito composto por um simples transmissor de um transistor e dois transistores oscilando gerando tom ou beep para acionamento do relé, o receptor regenerativo capta os sinais do transmissor amplificando e convertendo para acionamento do rele, este é um simples controle remoto como já disse é para principiantes, um bom controle remoto deve ser composto de receptor super heteródino em FM ou AM, em alta frequência VHF ou UHF, no mínimo 4 canais, com receptor de canais tom beep com PLL 567,  seu transmissor deverá ter no mínimo 1W de RF, deve ter também no mínimo 4 canais tom beep. Eu montei um bom controle remoto que usei no circuito do PTT sem fio para meu rádio cobra 148 GTL, eu usei no receptor um rádio VHF de dupla conversão em FM, e o transmissor com 3W RF com 4 canais, o meu projeto era montar o receptor e transmissor, até comecei pelo fone, desistir. acessem o blog e leiam tudo. Então eu levei mais de 4 anos montando devagar e pensando como melhora-lo e aperfeiçoa-lo, pois eu sem ter feito um curso em eletrônica era meu próprio professor, e ainda mais em CI circuito integrado, mais foi um sucesso. Para quem quer um bom controle remoto poderá montar as partes do circuito que deseja em outro receptor e transmissor, ou monta-los. vejam o projeto:
Não é difícil fazer um bom controle remoto, observem que no meu projeto o receptor é composto também por um transmissor, esse transmissor emite o áudio do rádio PX que está recebendo na minha estação. ele é um pouco mais complicado. mais como já disse acima podem montar partes deste mesmo circuito o que tem que ser pensado é o tamanho e onde ele vai ficar, e o que ele vai acionar, você poderá fazer muita coisa, desde alarme para carro, casa, sítio, ou até mesmo aeromodelismo, tudo depende de do que você quer acionar a distância. Vejam o circuito da revista.
Capa da revista. obrigado a quem postou.
Leiam tudo é muito importante.
Leiam, para quem quer montar ou aprender.
Aqui uma parte do transmissor e receptor regenerativo, leiam.
Aqui a parte dos motores e relé.
Aqui como confeccionar o XRF, e bobina, leiam.
Ás placas PCI vista do lado dos componentes e cobreado.
Aqui como fazer os ajustes e provar.
Como posicionar e montar os motores e caixa de pilhas.
Lista de componentes dos dois circuitos.
Em zoom esquema regenerativo do receptor VHF.
Em zoom placa de circuito impresso do receptor.
Em zoom confecção de XRF e bobina osciladora de TX e RX.
Receptor regenerativo VHF, lado dos componentes e ligação.
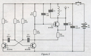
Esquema do transmissor em VHF.
Placa de circuito impresso do transmissor e ligação.
Em zoom lista de componentes do transmissor e receptor.
Está a matéria publicada na integra, para quem quer mais sobre montagens de transmissores e receptores acessem nosso blog que lá temos um acervo de esquemas sobre transceptores e muito mais acessem: http://projetosetransceptores.blogspot.com.br/
Muito obrigado e espero que gostem.